PETROleum equipment
油气装备
我们坚持以创造客户价值为目标,努力技术创新。公司自主研发的系列高端
智能油气装备均拥有国内外专利,国际领先水平,深受用户喜爱。
AUTOMATED DOPER & MUD BUCKET
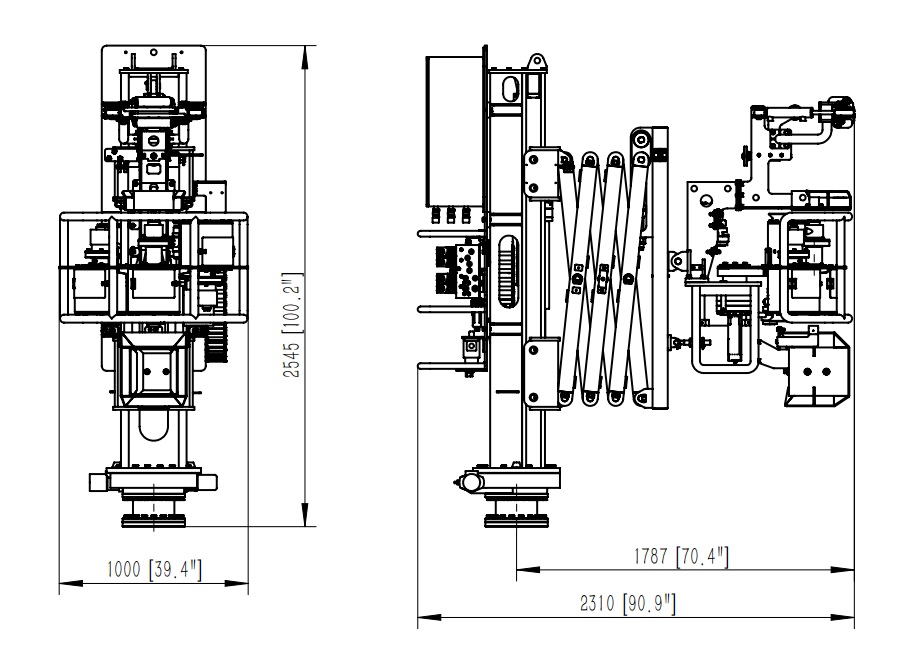
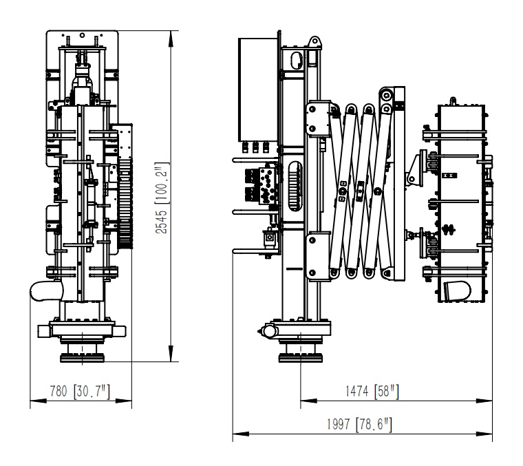
钻杆防喷洁扣机

钻杆防喷洁扣机集防喷、洁扣和涂抹螺纹脂功能于一体,是配置在钻机上的用于起下钻作业时处理钻杆螺纹和防止泥浆喷溅的钻台机器人,来彻底解放钻台工作人员,最终实现钻台无人化。洁扣机和防喷盒可互换,适用于尺寸为3-1/2″ ~ 6-5/8″的钻杆。可与JJC机器视觉模块互联,实现一键式自动作业。

产品资料下载
Highlights
产品特点

高效

钻具扶正对扣、洁扣和喷涂螺纹脂,全自动一键式作业,灵活地覆盖不同场景下的需求,更好地推动钻井平台的自动化,全面提升钻井作业效率。

经济

定量喷油相对于人工抹油可节省近70%螺纹脂,涂抹效果更好;泥浆防喷盒防止泥浆喷溅,实现泥浆有效回收,同时防止环境污染。

安全

彻底解放钻台工作人员,实现钻台无人化,避免设备和人员同台作业,同时大幅提升钻具螺纹连接质量,确保钻井作业安全。

省事

实现钻台无人化,避免自动化设备和人员同台作业,避免防止泥浆对环境的污染,确保钻具连接质量,保障钻井作业安全。

省钱

节省螺纹脂消耗,有效回收喷溅出的泥浆,控制泥浆飞溅影响环境,也提高了泥浆的再利用率,提升作业效率,实现成本节约。

省人

实现钻台面无人化,洁扣、抹油、对扣、泥浆防喷全自动一键式作业,实现减员增效。

Techincal Specifications
技术参数
型号
ABM-E1
液压动力要求
Rated Pressure: 16MPa (2,300psi)
Rated Flow: 60LPM (16GPM)
适用管具范围
3-1/2″ ~ 6-5/8″DP
钻具高度范围
900mm ~ 1,500mm (35.4″ ~ 59.1″)
水平伸展范围
1,600mm ~ 3,360mm (63.0″ ~ 132.3″)
垂直升降高度
800mm (31.5″)
控制方式
远程控制和无线遥控(标配)、集中控制(选配)
外形尺寸
(宽×高×深)
1,000mm × 2,545mm × 2310mm
( 39.4″ ×100.2″ ×90.9″ )
总重
1,800kg (3,968 lbs)
JJC Product Distribution
捷杰西产品分布图
产品名称
销售数量
智能铁钻工
100+
综合液压动力站
100+
高性能机械密封冲管
300+
联系我们