PETROleum equipment
油气装备
我们坚持以创造客户价值为目标,努力技术创新。公司自主研发的系列高端
智能油气装备均拥有国内外专利,国际领先水平,深受用户喜爱。
SMART WRENCH
超深井铁钻工

捷杰西智能铁钻工是用于石油天然气钻井管具的上卸扣和旋扣作业的钻台机器人。 本设备采用了独特的双钳设计,上卸扣扭矩更大,可以适应双吊卡作业,适用于超深井钻机,并有机器视觉升级包和低温升级包可选。

产品资料下载
Highlights
产品特点

工作寿命长

采用创新技术,将快抓管钳和链钳方法以及胳膊肘仿生学技术应用于钻井管具的上卸扣和旋扣,作业方式合理,结构简单,设备可靠性高。同时升级高强度钳牙和旋扣链,消耗件寿命延长50%以上。

作业效率高

专利技术(实用新型专利号:201520430275.9)的连续链式旋扣钳有效地解决了旋扣机构对管体的损伤。专利技术(实用新型专利号:201520430155.9)冲扣钳结构采用快抓管钳原理,自适应不同管具尺寸,管具夹持范围内无需更换钳牙或牙座,作业效率高,同时能最大限度地减轻钳牙对管具接头的损伤。

体积重量小

与相同级别的设备相比,体积重量最小,能够安装在司钻对井口前方,方便司钻直接看到钳口和钻具接头,同时设备所需压力等级最低,作业安全性能更高。

维修维护少

结构简单合理,采用模块化结构设计,维护更方便。设备皮实耐用,故障率更低,维修少,维护成本更低。

智能化程度高

机器视觉升级包:通过深度学习算法智能识别钻具接头,无需人工找接头,实现一键式全自动作业,效率大增。 低温升级包:智能感应环境温度,自动进行预热循环,确保铁钻工在极寒环境下随时处于最佳状态。

配置丰富

低温环境、钻具倾斜、一键式全自动作业等多种配置可选。本地、遥控、司钻和集成控制选项,满足新造自动化钻机和老钻机自动化改造需求。

Techincal Specifications
技术参数
型号
SW12-D1
液压动力源要求
额定系统压力: 17.5MPa (2,500psi)
最大系统压力: 21MPa (3,000psi)
额定流量: 140LPM (37GPM)
最低额定流量: 120LPM (32GPM)
适用管具范围
2-7/8 ″DP ~ 9-3/4 ″DC
最大旋扣速度
80RPM @ 5 ″DP
最大旋扣扭矩
5,000N·m (3,750ft-lb )
最大上扣扭矩
140,000N·m (100,000ft-lb)
最大卸扣扭矩
160,000N·m (120,000ft-lb)
钻具高度范围
604mm ~ 1,604mm (23.8″~63.2″)
水平伸展范围
1,990mm ~ 3,275mm (78.3″~128.9″)
控制方式
远程控制和无线遥控(标配)、
集中控制(选配)
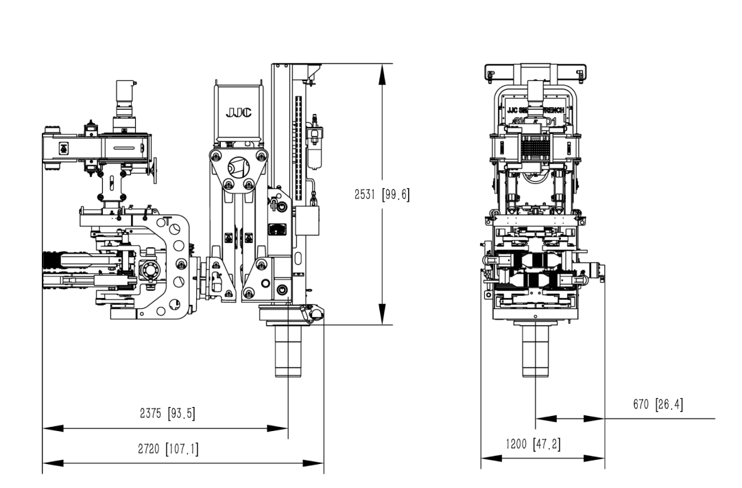
外形尺寸
(宽×高×回转半径)
1,750mm×2,595mm×2,375mm
( 68.9″×102.1″×93.5″)
总重
4,269kg (9,395lbs)
JJC Product Distribution
捷杰西产品分布图
产品名称
销售数量
智能铁钻工
100+
综合液压动力站
100+
高性能机械密封冲管
300+
联系我们